
Осуществлена
большая поставка трансформаторов тока ТШЛ-0,66-II-0,5S-1000/5 У2 на
Сахалин.
ИНТЕРЕСНО
Сахали́н — остров у восточного побережья Азии. Входит в состав Сахалинской области. Крупнейший остров России. Омывается Охотским и Японским морями. От материковой Азии отделён Татарским проливом (в самой узкой части — пролив Невельского — имеет ширину 7,3 км и замерзает зимой); от японского острова Хоккайдо — проливом Лаперуза.
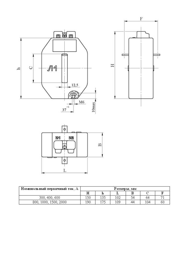
ТЕХНИЧЕСКАЯ СПРАВКА
Шинные трансформатор тока ТШЛ-0,66-II служита для передачи сигнала измерительной информации измерительным приборам или устройствам защиты и управления. Первичной обмоткой трансформатора служит шина распределительного устройства, пропускаемая через окно трансформатора. Выводы вторичной обмотки расположены на корпусе трансформатора. Обозначения первичной и вторичной обмотки находятся на трансформаторе. Трансформатор имеет один коэффициент трансформации и одну вторичную обмотку для измерений. Выводы вторичной обмотки закрываются прозрачной крышкой с возможностью пломбирования. Трансформатор крепится на шине с помощью планки с прижимными винтами. Планка поставляется по отдельному заказу. Климатическое исполнение У2 и Т2.